三相异步电动机上海厂家直销 上海电动机生产厂家 异步电动机专业制造 金陵供
【产品特点】
YS(X)J系列压铸铝机壳三相异步电动机包括:63,71,80,90四个机座;电动机符合IEC标准,效率符合能效标准。该系列电机根据NEMA标准派生出适合美国及北美地区使用,符合美国能源机构核准的效率超高的(YXJ)电动机。
其外形美观、节能,F级绝缘,防护等级为IP55,电机噪声低、振动小,运行可靠.
用途:
可作为通风设备、农用装备、医药食品机械、高端清洗设备、泵、机床、风机、运输机械、搅拌机其它通用机械设备的动力装置。
材质:
根据需要可采用铸铝机壳、不锈钢机壳、钢板机壳等。
冷却方式:
IC411
在海拔不超过1000米的条件下、能额定运行。
绝缘等级:
整机可采用B级、F级等绝缘。
安装方式:
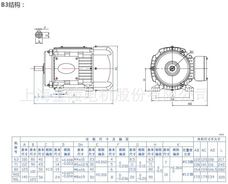
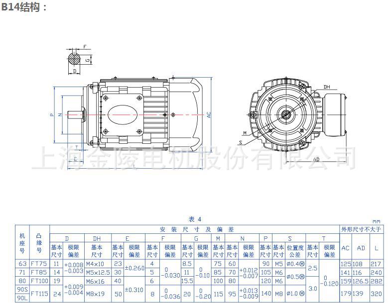
可根据客户的需要分为,卧式B3、立式大法兰B5、立式小法兰B14。
性能优点:
损耗小,温升低;效率高,漏磁小;瞬间过载能力强;噪音低,震动小。
应用范围:
广泛应用于有三相或单相电源的各种机械设备的传动。
【产品参数】

【产品外形图】



【关于我们】
上海金陵电机股份有限公司 GREEN THE WORLD
上海金陵电机股份有限公司创建于1952年,是一家具有60多年生产制造专业经验的电机制造商与服务商。我们定位服务于中、高端装备制造业客户,以快速和准确的方式,为客户提供高品质电机产品与服务,以实现企业价值与客户价值共同成长。

【企业实力】
公司主要生产销售符合NEMA标准的各类单、三相交流异步电动机,符合IEC标准的各类单、三相交流异步电动机,有刷、无刷直流电动机和控制电机,拥有:YYJ、YCY、YLJ、YSJ、YSJ(QA)、YXJ、YUM、YXN、YSN、YCN、YCA、ZYT等30多个系列共3000多种规格电机产品,年产量达到50万台。产品应用在通风设备、农用装备、医药食品机械、高端清洗设备、泵和其他通用机械设备上,设计各行各业,并在多个行业处于业内首创或{lx1}地位。拥有“GW”、“SMC”等自主品牌。目前,公司70%以上的产品销往美国、加拿大、南美、欧洲、日本等国和地区。
【荣誉资质】

【联系我们】
地址:上海市奉贤区林海公路6838号
邮箱:1905019608@qq.com
联系人:周女士
电话:+86 15371159977
传真:021-58421226
网址:http://shj85609.cn.qiyeku.com
【购买须知】
买家在购买前请确认好产品的规格型号、相关参数要求、以利卖家准确报价。
由于电机产品的型号繁多,不能一一列举;特殊要求者,请电联。详情以来电咨询为准,真诚期待与您的合作,也希望把我们优质的服务与产品传递给您!