节能型电动机生产商 上海单相异步电机销售报价 不锈钢电机价格 金陵供
【产品特点】
延伸轴上有防水密封
在端盖上有4个排水孔适用于任何安装下的引流
1个T型排水安装在非轴端盖的基座位置—可以被重新定位
第二个T型排水用在轴端用于客户安装在恰当的排流点
【产品参数】

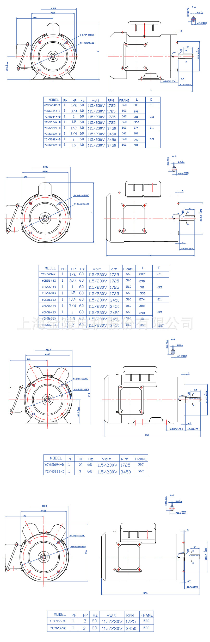
【产品外形】

【关于我们】
上海金陵电机股份有限公司 GREEN THE WORLD
上海金陵电机股份有限公司创建于1952年,是一家具有60多年生产制造专业经验的电机制造商与服务商。我们定位服务于中、高端装备制造业客户,以快速和准确的方式,为客户提供高品质电机产品与服务,以实现企业价值与客户价值共同成长。

【企业实力】
公司主要生产销售符合NEMA标准的各类单、三相交流异步电动机,符合IEC标准的各类单、三相交流异步电动机,有刷、无刷直流电动机和控制电机,拥有:YYJ、YCY、YLJ、YSJ、YSJ(QA)、YXJ、YUM、YXN、YSN、YCN、YCA、ZYT等30多个系列共3000多种规格电机产品,年产量达到50万台。产品应用在通风设备、农用装备、医药食品机械、高端清洗设备、泵和其他通用机械设备上,设计各行各业,并在多个行业处于业内首创或{lx1}地位。拥有“GW”、“SMC”等自主品牌。目前,公司70%以上的产品销往美国、加拿大、南美、欧洲、日本等国和地区。

【荣誉资质】

【联系我们】
地址:上海市奉贤区林海公路6838号
邮箱:1905019608@qq.com
联系人:周女士
电话:+86 15371159977
传真:021-58421226
网址:http://www.gwindustry.com
【购买须知】
买家在购买前请确认好产品的规格型号、相关参数要求、以利卖家准确报价。
由于电机产品的型号繁多,不能一一列举;特殊要求者,请电联。详情以来电咨询为准,真诚期待与您的合作,也希望把我们优质的服务与产品传递给您!