中国机械行业网站— 专业的机械行业综合服务平台www.yalifei.com
欢迎您,游客 请登录  |  免费注册  | 获客系统
当前位置:首页 > 供应信息 >  风机、排风设备 > 
详细介绍

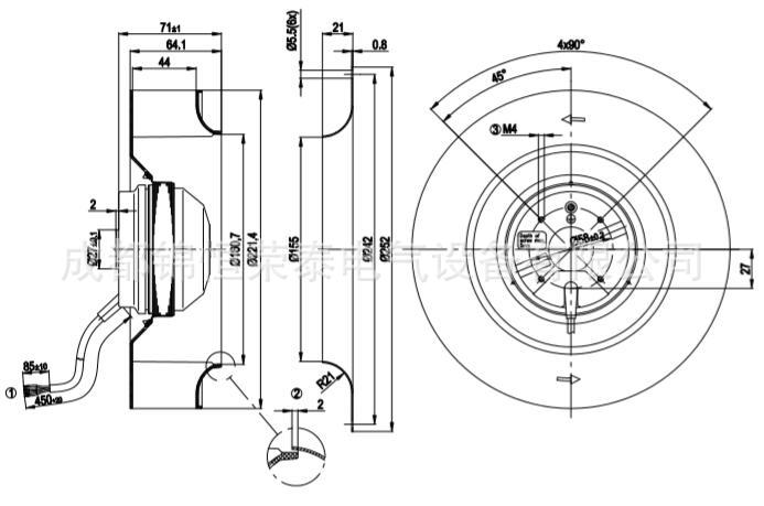
undefined
undefined
undefined
undefined
undefined

4656N
412H-064
4650N-465/A06
8212LGR-C01/A01
4650N-465
4650N
2218F/2TDH4OR-225
DV5214NR-224
RV45-3/24-004
2218F/2TDH4OR-227/A01
6314HR-679
2218F/2TDH4OR-227/A01
6314HR-900
RER133-33/18/2TDMP-203
8556N
4656Z
4656Z/G01
RET97-25/18/2TDMPU-051
ACI4420H
2214F/2TDHOU-754
614F
3218J/2NPU-212
4656N/A04
DV4114/2N
414F
RER190-39/14/2TDLOU-727
4114N/2H6A-285
3218J/2NPU-195/A02
4118N/121-255
REF100-11/14/2H-215
RER125-19/12N/2A-187
RL65-21/14H-010
4184NXN
624/39HHPR-048
4114N/2H4
624N
4188NXM
4114N/2H6PU
4314U
DV5218N
DV6224TDA
405F
4114N/2H8PU
4118N/2H4PU
4414/2H
4656ZWU-924
8314/19H
8556A
618J/2HHPR-000
RER190-39/18/2TDP/231
4118N/2H3P-247
422JM
4112NHH
4394M
605F
RG125-19/14N
2218F/2TDH4OR-230
4118NH4
RLF100-11/18/2HP-182
3258J/2HP
3312NH
3414NGH
4114/12XMR-218
412F/2H-038
412H
424JH
4312/19
4412F
4414M
4414/2HH
4550N
4600N
512F-532
6314/2TDHPU-043
6314H
712F/2
8318/17
8500N
RL48-19/14/2
RL90-18/14N
3956M
4184NMCR-110
4314
4414N
RL48-19/14
4114N/2H6A-254
9656
7450ES
5656S
8312HL
8556N-057
DV5214NR-226
4414FM
612NH
2218F/17TDHHO-221
4606N
6314N/2HHP-306
4856Z/AB01
3214J/2N-335
4114NU
3414NHH
DV6448/2A-208
4312/12M
7210N-181
4414FNH
7114N/2
612NHHR-252
4650N-465/A02
DV4114NPU-220
RG190-39/18/19TDP-200
8414N-558
8414NH
622HH
RG125-19/56
9956
4414HTR-219
4414H
4114N/17H-265/A01
RG220-43/18/19TDPU-300
3312U-467
6318/19HP-218
414J/2HH-M01
4656N/A03
DV5214/2N
8418N/2H
7214N
422J/2M-034
612FH
8218J/2H3
8454/2H4P
424J/2HP
614J/2H
8218J/2H4
8414N/2G
634HHU
4414FN/2HP-183
3314NHHU
6224N
4314HAR
612NGLE
624/2HH
8300H
8412N/2GLE
3212J/2H4P-218
4414MU
4600N
3214J/2H3PR-204
4112N/2H-261
4118NHH
4656EZ
634NU-004
RL90-12/14-010
7114NHR-147
4658N-037
5314/2TDHHP
4114NHU-295
4414FMR
REF100-11/18/2HPU-204
DV5214N
RL65-21/12/2
4114N/2XH
414H
424JMU
612NGN
8218J/2H3
614N/2GHH
4184N/17X
K3G280-PS10-J2
614JH
09492-2-4039
8314/17T
G3G250-GN17-01
D2D133-AB06-08
K3G097-AS82-82
K3G280-PS10-J2
A2S130-AA03-39
R2E220-AA40-80
624HH
8314HL
QG030-353/14
4114NXHHU-233
8412NGME
4414F
8414NHR-271
614N/2HH-291
3212J/2H4P
4412/2N
4656NW-143
614NHH
4414F/37
614NMR
624/2HH-M01
RG160-28/18NU
RLF35-8/14N/2P-115
6318/2TDH4P-009
514F
3414N/39HH
4412FGMPR-197
612FL
412/2
614NGN-170
4114N/2H3U
614NHHR
DV4650-470
8314H
3314NH
4114NH3
5114N
8214JN
4414/2HH-535
4414HHR
8414NL
614NGN
8418N
4414F/39
2218F/2TDH4OR-212
RLF35-8/12N
6224
3414NGHH
RL48-19/12-019
2218F/2TDHHO
6318/2TDHR-039
612N/2GHH-059
8418N/2H-646
8214JH4
8414NGM
2218F/2TDH4P-214/A01
8414-21
8556V
612NLE
6314HU-901
6324/19HP-80181
3314HR-380
4412/2HHP
612NHH
614NHHU-274
624HHU
4414/2MP
412J/2-043
8212JN
3314NN
3412NH
3956L
3214J/2H3
6314/2TDH4P
DV5214/2HP
4114N/2H
4114N/2H7P
3280JNPU-222
4114N/37HHPR-211
6314/2TDHP
7114NHU-148
BC163.55
RER160-28/56S
4850N
3214J/2H4P
4856Z
8412N/2H
4412F/2GL-551
DV6448/2A-209
RG90-18/14N
ACI4420HH
422J/2M
4112NG
412F
4314/19-189
4382L
4394
614N/2M
6424HU-452
R3G250-AK41-71
4314/19-189
W2E250-CE65-01
W4D400-DP12-41
R2E200-AA14-B7/A01
W2E200-HK38-01
R4E355-AL02-06
W2E200-HK38-01
R6D560-AH05-01
W2E208-BA20-51
R2E175-AC77-05
D1G133-AB39-52
A2E170-AF23-01
W4D400-DP12-40
30457-4-7320
G3G125-AA20-10
3214JN
6424
RG160-28/56S
612F/2


相关分类

地址:中山市小榄镇民安中路163号民安广场1幢25楼25G 联系人:张总 电话:400 000 8722 微信 baxi188699386

机械行业网站 粤ICP备2025387148号-2 网站地图
免责声明:本站只起到信息平台作用,不为交易经过负任何责任,请双方谨慎交易,以确保您的权益。
内容的真实性、准确性和合法性由发布企业或个人负责。如有信息、图片侵权,请及时联系我们处理。
友情提醒:投资有风险 加盟需谨慎