
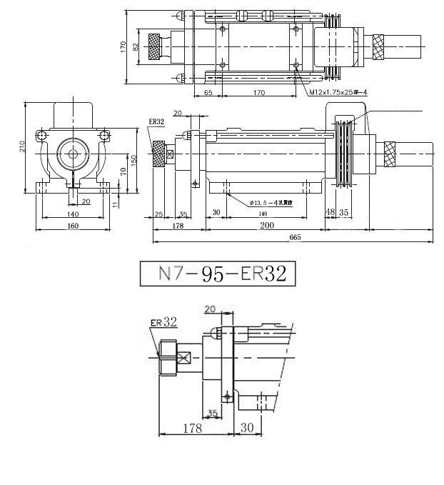
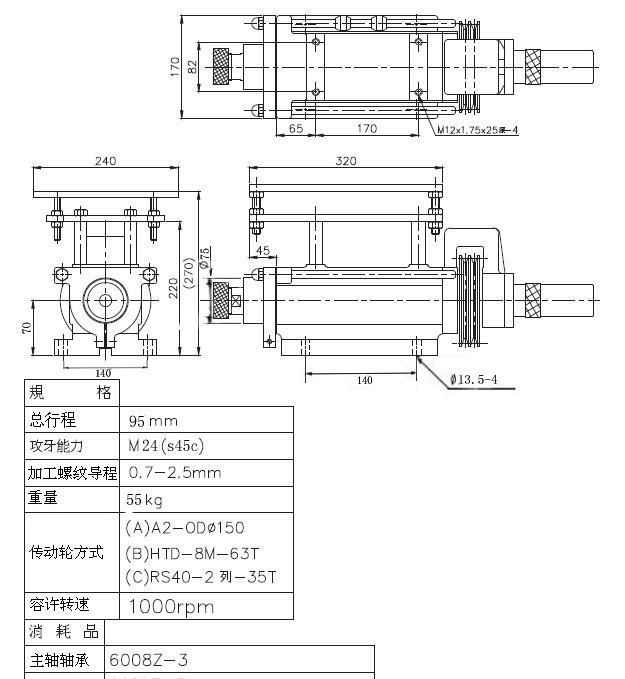
导螺杆样规式攻牙动力头:是在前端装根丝攻,主轴后端安装外装是精密研磨样规。其工作方式是:电机正转,同时带动主轴旋转,尾部精密样规就会正向旋转,利用精密螺纹推动主轴前进,达到工作标准以后,控制系统就会给出信号,电机立刻翻转,主轴就会后退,完成工作!
肇庆市科艺自动化设备制造厂主要经营钻孔动力头、攻牙动力头,本厂一直以“质量求生存,科技求发展”的经营理念,以“大胆开拓,勇于创新”的拼搏精神,制造{gx}、耐用的设备,让广大顾客满意。
动力头作为组合机床的重要动力部件之一,在汽车工业、家电工业和摩托车制造业应用中所带来的巨大经济效益,已被国内外许多生产厂家的实践所证明。
提高性能、降低生产成本、提高生产效率、提高消费者的便利性是打开钻孔动力头消费市场的重要前提条件。
目前,距离钻孔动力头,攻牙动力头真正进入大规模市场化仍有相当长的一段路要走。发展钻孔动力头是未来机械行业的必然趋势,也是解决我国能源环境压力的重要途径之一。
随着我国钻孔动力头,攻牙动力头企业技术的进步、生产规模不断提升、产品成本的持续下降以及配套环境的不断完善,未来我国新型钻孔动力头必将取代传统普通钻床。
在客户选择动力头时,很多客户为了节省成本会想只购买一台钻孔动力头,在加工完孔后,将钻头换成丝攻。那么是否就真的可以直接攻牙了呢?针对这种情况我们下面列出钻孔和攻牙的不同原理来进行解释:
加工行业中,钻孔动力头主要是用于工件钻孔加工,铣削,绞孔等,所以根据材质,加工能力等都有不同的选择。
攻牙动力头主要是有底孔,然后再工件上进行一个成型加工,挤削出螺纹,加工所需要的螺牙。
钻孔动力头和攻牙动力头{zd0}的区别就是主轴的转速,钻孔动力头的转速相对比攻牙动力头的速度要快。
所以钻孔动力头可以利用气缸或油缸来作为前进的作用力,攻牙动力头就不行,必须要根据自己的转速来设置前进速度,通过导螺杆来作为前进后退作用力。
所以由于攻牙动力头和钻孔动力头不能用同样的速度加工,客户加工时不可使用同一台动力头进行钻孔攻牙加工。
本店产品不含税不含运费,具体请咨询客服,谢谢合作