|
如今随着我国经济与科技的大发展,阀门的品种也在不断增加,应用阀门的行业也越来越多,如石化行业、炼油行业、核电行业、火电行业等都有广泛的使用。而越来越多的行业应用也对阀门有更多新的要求,对阀门质量与技术要求也越来越高,下面标柏就带您来看一下阀门在各行业中的发展前景。石化行业:石化行业的竞争一直都很激烈,对阀门设备的要求也最为严格,未来的阀门将配合产业自动化,促进阀门设备总体水平提高,发展多功能、{gx}率、低消耗的石化阀门设备。我国石化企业每年的年产值都在千亿,这就说明我国有很大的阀门市场,我们应该从市场变化的角度去考虑,要保证稳中求发展。 |
|

|
|
|
型 号:QY12A-1245型 |
|
口 径:DN12 |
|
压 力:1.0-50MPa |
|
连接形式:螺纹 |
|
结构形式:自作用式 |
|
密封结构:软密封、硬密封 |
|
可选驱动:自动 |
|
材质可选:铸钢、不锈钢 |
|
上海弘新阀门有限公司 |
|
电 话:021-31263820 |
|
传 真:021-51069308 |
|
手 机:15300626002 |
|
|
|
|
|
地 址:上海松江工业区南乐路 |
|
弘新生产的回转阀组,驱动方式可选用自动,连接方式可选用螺纹,结构形式可选用自作用式,密封结构可选用软密封、硬密封,压力范围PN1.0-50MPa,公称通径为DN12mm,材质可选用铸钢、不锈钢。由于阀门的使用范围非常的广泛,同一种阀门在不同的场合与工况有不同的搭配,如果您是非专业人士,欢迎您向本公司来电咨询。本公司有专业技术人员为您服务!技术部电话:021-31263820 |
|
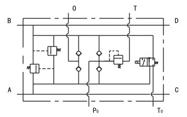
QY12A-1245型回转阀组图形符号
 QY12A-1245型回转阀组技术参数 额定压力:21MPa 缓冲压力:14~18MPa 适用介质:液压油
QY12A-1245型回转阀组外形尺寸
|
|
炼油行业:我国炼油工业经过60年发展,生产规模迅速扩大。在一系列政策措施推动下,2010年我国炼油行业产值和产量持续增长,结构调整逐步推进,继续保持良好发展势头。2010年,炼油行业实现产值24252亿元,同比增长38%。因此也可看出我国炼油行业阀门应用市场空间巨大。 |
|
|
|
|
|
|
|
|
|
|
|
|
|
|
|
|
|
|
|
|
|
|
|
|
|
|
|
|
|
|
|
|
|
|
|
|
|
核电行业:阀门在这个行业作为核电设备的基础设备,大致占有5-10%的容量。中国将继续其核电发展规划,在2015年和2020年核电装机容量分别达到40GW和75GW,中国将于2012年中期前后重启新核电项目的审批。所以在这个领域要不断的推出新产品、新设备来满足市场需求。 |
|
电 话: |
021-31263820 |
传 真:021-51069308 |
手 机:15300626002 |
|
邮 箱: |
|
网 址: |
|
|
地 址: |
上海松江工业区南乐路 |
|
|
|
除此之外,建筑行业以及特殊的行业都需要应用阀门。阀门的用途是十分广泛,在很多企业都有使用,这就充分说明阀门的发展十分迅速,前景良好。 |